Мы используем cookie для наилучшего представления нашего сайта. Подробнее об этом в Политике конфиденциальности.
Ок

Пермь

Ваш город:
Пермь (Пермский край)?
Нет
Да
Каталог
Каталог Написать в WhatsApp
Мотоэкипировка

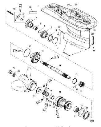
Корпус шестерни, Prop-2.33:1-USA-0T625304/BEL-0P216185 и выше 4-Х ТАКТНОГО ПЛМ MERCURY 50 Серийный номер от 0P153500 до 0P400999

Корпус шестерни, Prop-2.33:1-USA-0T625304/BEL-0P216185 и выше 4-Х ТАКТНОГО ПЛМ MERCURY 50 Серийный номер от 0P153500 до 0P400999 в Перми: актуальный каталог, цены, фото, описание. Купите корпус шестерни, prop-2.33:1-usa-0t625304/bel-0p216185 и выше 4-х тактного плм mercury 50 серийный номер от 0p153500 до 0p400999 в кредит – оформите заявку онлайн за 1 минуту!

Оригинальные запчасти

Артикул НАИМЕНОВАНИЕ Кол-во деталей в узле Примечание Наличие Цена Аналоги Фото
1 9011G90 Редуктор BF(GEAR HOUSING ASSY, Complete 4.25 Inch)

Под заказ

1

Под заказ

уточнить

Купить
2 9011J41 GEAR HOUSING ASSEMBLY, Complete (4.25 Inch/107.95MM Torpedo Diameter)

Под заказ

1

Под заказ

уточнить

Купить
3 9011G59 Корпус редуктора (GEAR HOUSING ASSEMBLY, Basic)

Под заказ

1

Под заказ

уточнить

Купить
4 30894A1 Роликовый подшипник (BEARING SET)

Под заказ

1

Под заказ

уточнить

Купить
5 882813A3 Шестерня переднего хода (GEAR KIT-FORWARD)

Под заказ

1

Под заказ

уточнить

Купить
6 30895T Подшипник (BEARING)

Под заказ

1

Под заказ

уточнить

Купить
7 856823 Кольцо (RING, Retaining)

Под заказ

1

Под заказ

уточнить

Купить
8 850315A1 Копир кулачка (FOLLOWER KIT-CAM)

Под заказ

1

Под заказ

уточнить

Купить
9 44530 Шарик (BALL)

Под заказ

3

Под заказ

уточнить

Купить
10 850327 SPRING

Под заказ

1

Под заказ

уточнить

Купить
11 850048T *Муфта (CLUTCH)

Под заказ

1

Под заказ

уточнить

Купить
12 8M0100263 PIN @3

Под заказ

1

Под заказ

уточнить

Купить
13 30893 Пружина (SPRING @2)

Под заказ

1

Под заказ

уточнить

Купить
14 8M0140445 Гребной вал (PROP SHAFT)

Под заказ

1

Под заказ

уточнить

Купить
15 882814T Шестерня з.х. (GEAR-REVERSE)

Под заказ

1

Под заказ

уточнить

Купить
16 12596T2 Корпус подшипника (CARRIER ASSY-BRG)

Под заказ

1

Под заказ

уточнить

Купить
17 861844 Уплотнительное кольцо (O RING)

Под заказ

1

Под заказ

уточнить

Купить
18 30956T Подшипник (BEARING)

Под заказ

1

Под заказ

уточнить

Купить
19 70080 Сальник (SEAL)

Под заказ

1

Под заказ

уточнить

Купить
20 70081 Сальник (SEAL)

Под заказ

1

Под заказ

уточнить

Купить
21 12578T Подшипник роликовый (BEARING)

Под заказ

1

Под заказ

уточнить

Купить
22 12577 Шайба (WASHER)

Под заказ

1

Под заказ

уточнить

Купить
23 12576 Шарикоподшипник (BEARING)

Под заказ

1

Под заказ

уточнить

Купить
24 8M0034456 Шпилька M8x1.25x48 (STUD)

Под заказ

2

Под заказ

уточнить

Купить
25 855941 Шайба (WASHER)

Под заказ

2

Под заказ

уточнить

Купить
26 401378 NUT, (M8)

Под заказ

2

Под заказ

уточнить

Купить
27 44491A1 Регулировочные кольца (shim set)

Под заказ

1

Под заказ

уточнить

Купить
28 8227731 Вставка (INSERT)

Под заказ

2

Под заказ

уточнить

Купить
29 13191Q01 Упорная шайба (THRUSTWASHER@2)

Под заказ

1

Под заказ

уточнить

Купить
30 52707Q1 Гайка крепления гребного винта (PROP NUT KIT@2)

Под заказ

1

Под заказ

уточнить

Купить
31 816629Q Шайба (TAB WASHER)

Под заказ

1

Под заказ

уточнить

Купить
32 856774 Шайба (WASHER)

Под заказ

4

Под заказ

уточнить

Купить
33 43035A05 Сальник (SEAL KIT, Gear Housing)

Под заказ

1

Под заказ

уточнить

Купить

Нулевая цена не означает отсутствие товара. Оформите заказ, и менеджер сообщит вам цену и наличие товара, предварительно запросив их у поставщика

Главная Магазины
Корзина0
Профиль