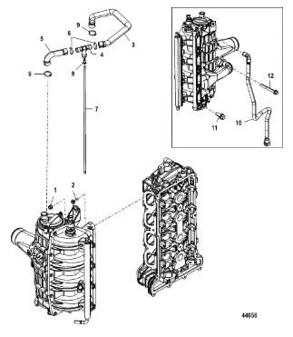
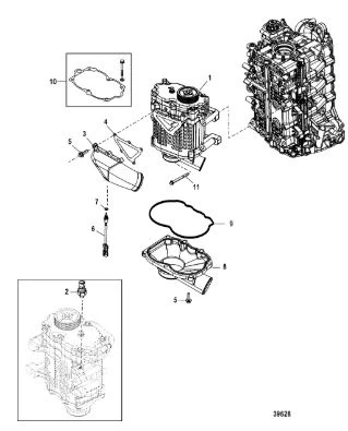
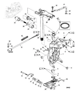
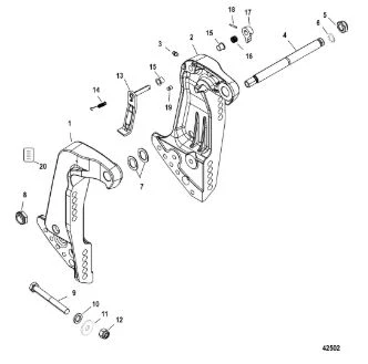
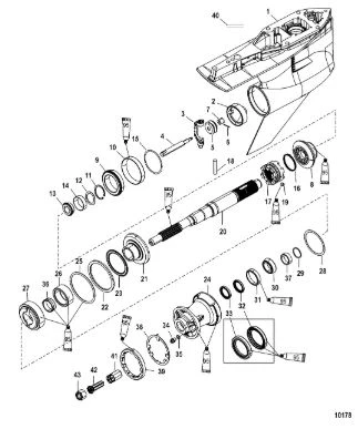
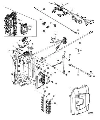
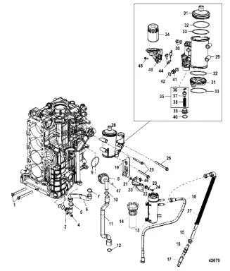
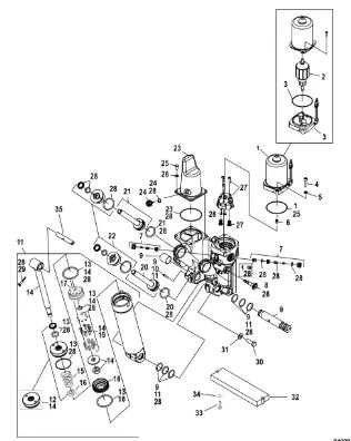
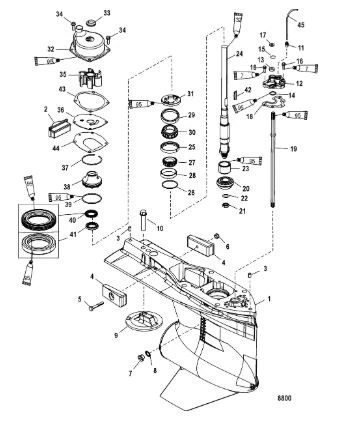
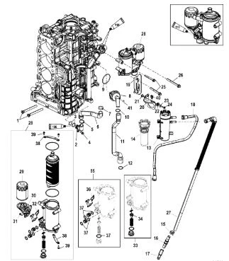
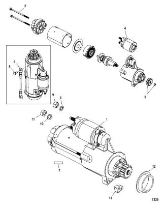
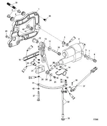
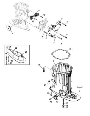
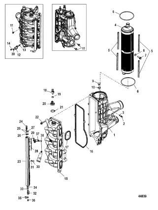
Запчасти для 4-х тактного ПЛМ MERCURY 135 Серийный номер от 0P514869 и выше в Перми: актуальный каталог, цены, фото, описание. Купите запчасти для 4-х тактного плм mercury 135 серийный номер от 0p514869 и выше в кредит – оформите заявку онлайн за 1 минуту!
Вернем до 10% бонусами при оплате наличными или по счету. Бонусами можно оплатить 10% от стоимости при покупке экипировки, аксессуаров, запчастей, велосипедов и т.д. (все товары, кроме техники).
Гарантируем цены ниже или вернем 110% разницы.
Если вы нашли дешевле, сообщите нам, отправьте
ссылку на
товар, мы проверим, если магазин является официальным дилером и обновления не является «приманкой с заниженной
ценой», мы сделаем Вам скидку в 110% от разницы цены, у нас цена гарантированно будет ниже!